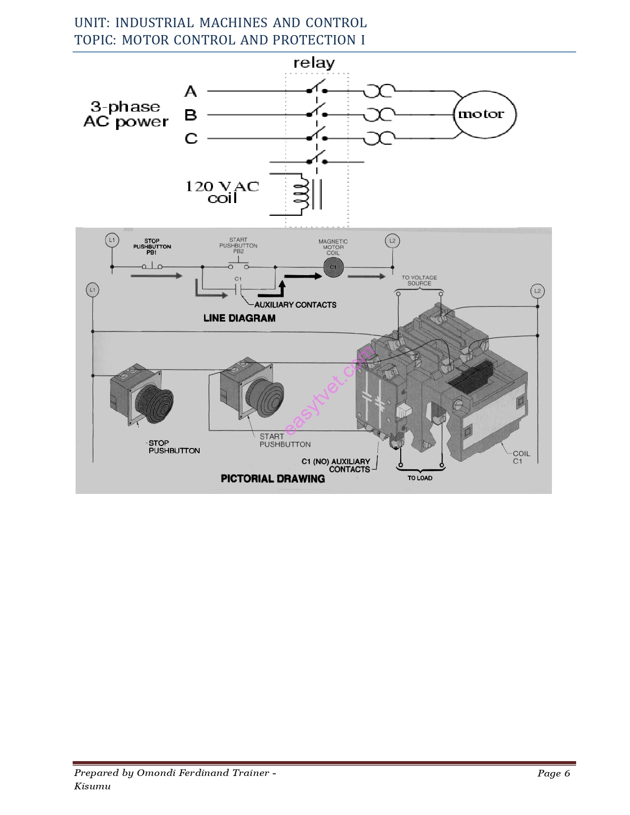
Image 1
Image 2
Image 3
Image 3
Image 3
Image 3
Image 3
Image 3
Image 3
Image 3
Image 3
Image 3